Neviete si vybrať?
Sme tu pre Vás, opýtajte sa
Naposledy prezerané
WhatsApp
Email
Facebook
LinkedIn
X
Kľúč s čapom na demontáž nosných kĺbov, pre Mercedes-Benz triedy M
30,33 €
s DPH 23 %
* cena platí pre objednávku cez e-shop
- Skladom
NIE na predajni v Trnave
NIE na externom sklade
Dostupnosť
Na externom sklade 2 - 5 dní
expedujeme ihneď po naskladnení počas pracovných dní
- Cena dopravy od 4,00 €
- Pri nákupe: nad 150 € doprava zadarmo!
- Zdieľajte produkt priateľom
Popis produktu
- pre vozidlá Mercedes-Benz triedy M W163 vyrobené do júna 2005 popr. W164 vyrobené po roku 2005
- profesionálna výmena nosných kĺbov prednej a zadnej nápravy
- uľahčuje uvoľnenie popr. dotiahnutie poistných matíc nosných kĺbov správnym krútiacim momentom
- vhodný pre dolné nosné kĺby prednej a zadnej nápravy
___________________________________
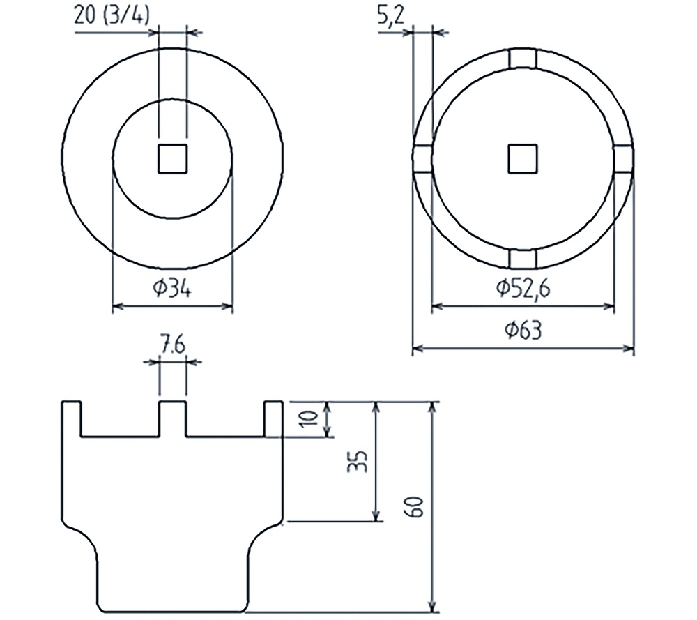
Technické údaje:
Profil pohonu: Vnútorný štvorhran
Veľkosť profilu pohonu, rozmer v palcoch: 3/4 „
Veľkosť profilu pohonu, metricky: 20 mm
Počet čapov: 4 kusy
Hrubá hmotnosť
Parametre
| Hmotnosť | 0,506 kg |
|---|---|
| Výrobca |









