Neviete si vybrať?
Sme tu pre Vás, opýtajte sa
Naposledy prezerané
WhatsApp
Email
Facebook
LinkedIn
X
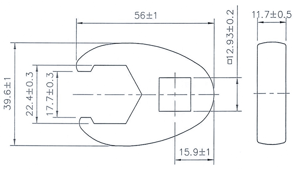
Kľúč otvorený „Crowfoot“, 1/2″, 22 mm, BGS 1757-22
9,84 €
s DPH 23 %
* cena platí pre objednávku cez e-shop
- Skladom
NIE na predajni v Trnave
NIE na externom sklade
Dostupnosť
Na externom sklade 2 - 5 dní
expedujeme ihneď po naskladnení počas pracovných dní
- Cena dopravy od 4,00 €
- Pri nákupe: nad 150 € doprava zadarmo!
- Zdieľajte produkt priateľom
Popis produktu
___________________________________
Technické údaje:
Profil výstupu: Šesťhran
Profil pohonu: Vnútorný štvorhran
Veľkosť profilu pohonu, rozmer v palcoch: 1/2 „
Veľkosť profilu pohonu, metricky: 12,5 mm
Hrubá hmotnosť Chróm-molybdénová oceľ
Zušľachtenie povrchu: Chrómovaný, matný
Otvor kľúča: 22 mm
Obal vhodný pre záves na stenu: Áno
Parametre
| Hmotnosť | 0,116 kg |
|---|---|
| Výrobca |









